Ladda LFP från SLA
Ladda LFP från SLA
Dvs ladda ett 100Ah LiFePO4 batteri från ett blybatteri, typ.
Grejen är att det oftast inte gör att ladda ett LFP direkt från en alternator. Den inre resistansen är så låg att man riskerar att bränna alternatorn, men då man laddar så ligger ju spänningen på ca 14,4V och ett full-laddat LFP ligger på 13,6 - 13,7V. Så tanken är att ha en liten buckregulator med strömbegränsning som har sin underspänningslockout på kanske 14V och utspänningen satt till säg 13,6 och strömbegränsat till säg 10A.
Då kommer alternatorn att börja ladda LFP-batteriet först då startbatteriet (SLA) är full-laddat.
Tankar om detta?
Grejen är att det oftast inte gör att ladda ett LFP direkt från en alternator. Den inre resistansen är så låg att man riskerar att bränna alternatorn, men då man laddar så ligger ju spänningen på ca 14,4V och ett full-laddat LFP ligger på 13,6 - 13,7V. Så tanken är att ha en liten buckregulator med strömbegränsning som har sin underspänningslockout på kanske 14V och utspänningen satt till säg 13,6 och strömbegränsat till säg 10A.
Då kommer alternatorn att börja ladda LFP-batteriet först då startbatteriet (SLA) är full-laddat.
Tankar om detta?
Senast redigerad av AndersG 14 juni 2022, 13:55:19, redigerad totalt 1 gång.
-
Prins Valiant
- Inlägg: 1707
- Blev medlem: 3 januari 2022, 15:10:05
- Ort: Kristianstad
Re: Ladda LFP från SLA
Skaffa en laddare typ https://www.kjell.com/se/produkter/el-v ... lsrc=aw.ds
Det finns många som säljer den. Vanligtvis skaffar man en 12v nätadapter separat, men många RC flyg vänner använder den kopplad till bilbatteri i fält, för att kunna ladda sina LiPo-batterier till elflyg. Vissa säljer den färdig med batteriklämmor.
Kan bara säga att det är en mycket användbar laddare till att ladda alla möjliga typer av batterier. Dessutom visar den hur mycket du laddat, så du vet när kapaciten börjar sjunka i ett gammalt batteri.
Det finns många som säljer den. Vanligtvis skaffar man en 12v nätadapter separat, men många RC flyg vänner använder den kopplad till bilbatteri i fält, för att kunna ladda sina LiPo-batterier till elflyg. Vissa säljer den färdig med batteriklämmor.
Kan bara säga att det är en mycket användbar laddare till att ladda alla möjliga typer av batterier. Dessutom visar den hur mycket du laddat, så du vet när kapaciten börjar sjunka i ett gammalt batteri.
Re: Ladda LFP från SLA
OK. Men nu var det inte det jag var ute efter, utan ett sätt att ladda ett 100Ah LFP från dieselns generator vid gång. Normalt laddas batteriet via en solcell eller från landström via en Victron-laddare.
-
Prins Valiant
- Inlägg: 1707
- Blev medlem: 3 januari 2022, 15:10:05
- Ort: Kristianstad
Re: Ladda LFP från SLA
Jo, men nu är detta ju "elektronikforumet". Platsen där vi bygger eget 
Ber om ursäkt om min TS var otydlig. Har förtydligat den.
Ber om ursäkt om min TS var otydlig. Har förtydligat den.
Re: Ladda LFP från SLA
Begränsar inte alternator strömmen i början av laddningen ?
Annars kan man ju bygga en krets som begränsar strömmen till en viss nivå.
Annars kan man ju bygga en krets som begränsar strömmen till en viss nivå.
Re: Ladda LFP från SLA
Det kan du inte lita på. Här kan du se vad som KAN hända:Begränsar inte alternator strömmen i början av laddningen ?
Det var ju precis det jag frågade efter... Det som behövs är en strömbegränsad buckregulator som reglerer ned 14+ V till 13,6 eller så.Annars kan man ju bygga en krets som begränsar strömmen till en viss nivå.
Re: Ladda LFP från SLA
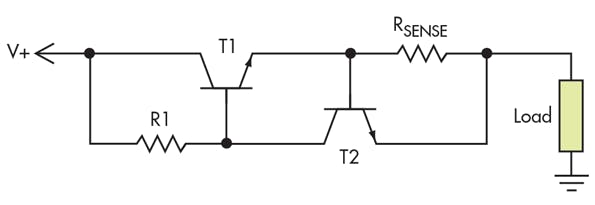
Metric: Den fungerar inte pga. diodspänningsfallet i T1.
Sedan är det fel koppling, T1 ska vara PNP med emitter till V+.
Sedan är det fel koppling, T1 ska vara PNP med emitter till V+.
Re: Ladda LFP från SLA
Tittade inte så noga på den kopplingen, men här. finns mer info.
https://www.electronicdesign.com/power- ... ltage-drop
https://www.electronicdesign.com/power- ... ltage-drop
Re: Ladda LFP från SLA
OK, låt oss gå igenom den. Jag utgår ifrån originalritningen.
En emitter-följare har ett spänningsfall på minst 0,7V, i detta fall - med en del ström - kan det lätt bli 1,1V.
För att begränsaren ska aktiveras ska det vara minst 0,65V över shunten, alltså tappas det totalt minst 1,35V och sannolikt runt 1,75V.
Det GÅR att lösa men inte med den koppling, dock med en liknande funktion.
Ja, PNP ville inte lösa mycket i den nuvarande koppling, den ville dock minska spänningsförlusten och med lite sneaky koppling med en bias på strömsensordelen kan man komma ner på ett spänningsfall på kanske 0,5V.
En emitter-följare har ett spänningsfall på minst 0,7V, i detta fall - med en del ström - kan det lätt bli 1,1V.
För att begränsaren ska aktiveras ska det vara minst 0,65V över shunten, alltså tappas det totalt minst 1,35V och sannolikt runt 1,75V.
Det GÅR att lösa men inte med den koppling, dock med en liknande funktion.
Ja, PNP ville inte lösa mycket i den nuvarande koppling, den ville dock minska spänningsförlusten och med lite sneaky koppling med en bias på strömsensordelen kan man komma ner på ett spänningsfall på kanske 0,5V.

