Robotklippare Greenmate 2013
Samköp Robotklippare Greenmate
Till en början vill jag (Xyzzy) framföra mitt största tack till Danei som "drog i spakarna" för detta samköp.
- EF: Forumtråd om samköpet.
- EF: Robotklippare Greenmate och Biltema, startad 2013-04-11
Ni är alla varmt välkomna att fylla på med information här.
Robotklippare Greenmate
Här tar vi de tekniska bitarna som är bra att ha på wikin. Kan lyftas ut till en egen sida om vi vill skilja på samköpet och sidan om klipparna.
Slingsignal
Pulsad ström, 7.8 kHz 50% duty. cirka 430 mA. Strömmen regleras att vara samma oavsett slingans längd/motstånd.
Bilder på klippare och tillbehör, omodifierat
(ja, jag både hoppas och tror "vi" kommer göra en hel del moddar på denna, men det tar vi i en underrubrik)
Våra scheman
Fjärrkontroll
Laddstation/slingsignalgivare
Schema för ver 01/02 (sammanslaget):
Hittils konstaterade skillnader V01-->V02:
-En kraftigare drivtransistor (Q9, samt tillhörande R23) för slingan
-R1 har ersatts med en diod (1N5819 ?)
Funktion för slingsignalsgenereringen
- Q4 laddar upp C13 (Q4 jobbar i det linjära området, därav den enorma kylflänsen)
- Spänningen över C13 regleras att vara konstant (för en given slinga). Spänningen över C13 delas ner till till en sjättedel via R33 och R34. Denna spänning jämförs sedan av OP:n U4_3 mot den till likspänning glättade PWM-signalen HighControl (glättas av C12).
- OP U4_3 styr sedan Q5 som i sin tur styr om Q4 ska ladda i lite mer energi i C13. (plus-ingång på OP vinner (== C13 har tillräcklig spänning) -> OP-utgång går hög -> Q5 leder -> Gate till Q4 jordas -> Q4 slutar leda och fyller inte längre på C13).
- Ovanstående bildar en reglerloop. Mätningar visar att C13 räcker till flera 7.8kHz-pulser innan spänningen över C13 faller så mycket att reglerloopen kickar in och laddar upp C13 igen.
- CPU ger fyrkantsvåg (7.8kHz) till Q6 som släpper ur energin ur C13 i rätt takt.
- Strömmen till slingan ger en spänning över R36 som förstärks av OP U4_2 (fyrkantsvåg) Denna fyrkantsvåg "glättas" sedan till en likspänning av C16 som ger WireStatus
- WireStatus A/D:as av CPU för att se hur mycket ström som går (hur lång slinga). PWM-signalen på HighControl anpassas så att spänningen höjs om slingan är lång (har högt motstånd). Så att det är ungefär samma ström i slingan oavsett resistans på slingan.
PWM-signalen HighControl har samma frekvens som slingfrekvensgenereringen LowControl. Detta är troligen bara en bekvämlighetssak för programmeraren, men var förvirrande innan man förstod hur allt hängde ihop.
Klippare - Systemuppbyggnad
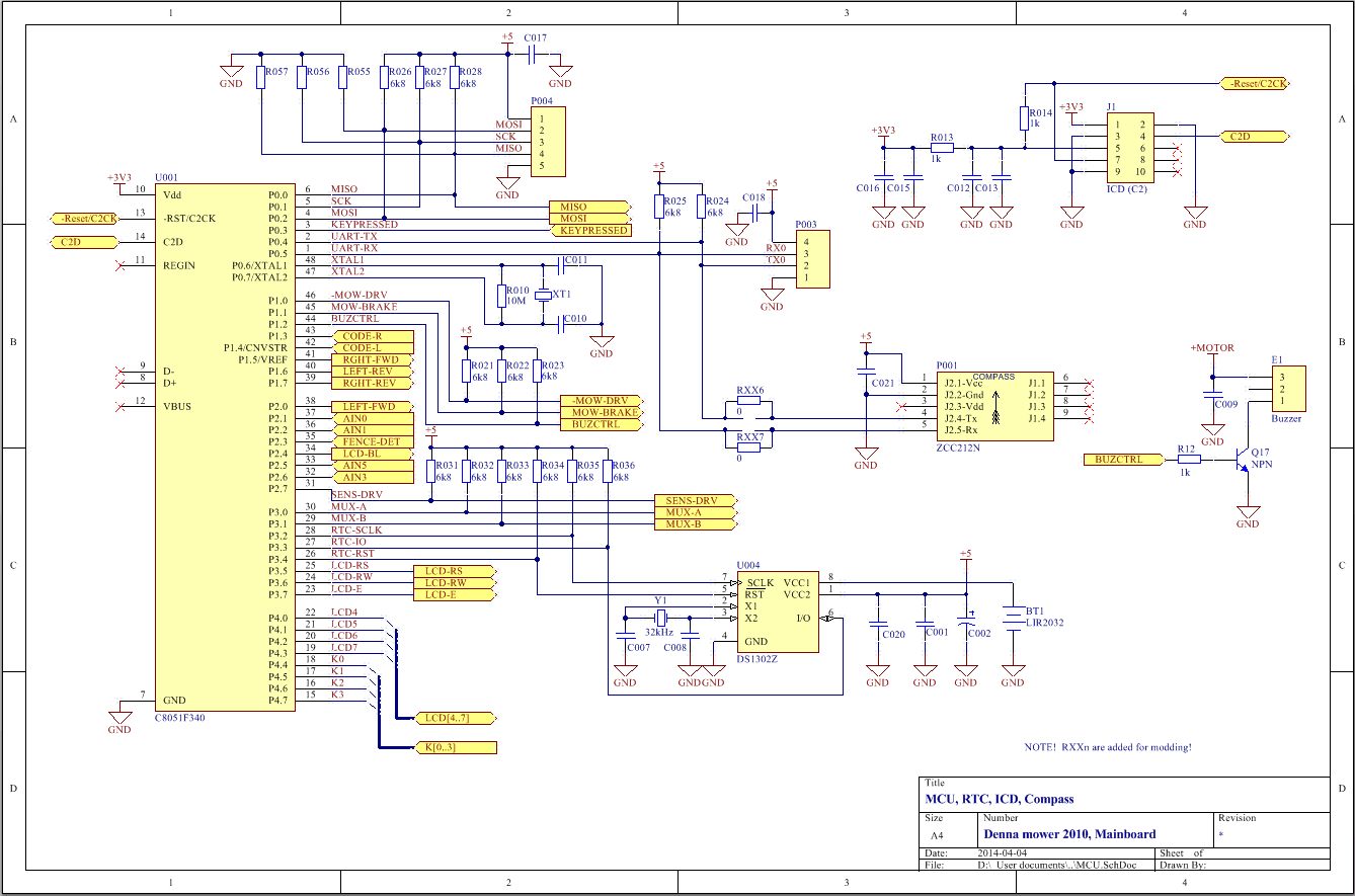
Klippare/Moderkort - MCU/RTC/Kompass
Klippare/Moderkort - Slingsignalmottagare
Klippare/Moderkort - Slingsignaldetektor
Klippare/Moderkort - Strömförsörjning
Klippare/Moderkort - Anslutning för knappsats/display
Klippare/Moderkort - Drivare för klippmotor
Klippare/Moderkort - Drivare för framdrivningsmotorer
Klippare/Moderkort - Fjärrkontrollmottagare/avkodare
Klippare/Moderkort - Sensoringångar
Klippare/Moderkort - I/O-mux
Klippare/IR-sensor
Klippare/Kontrollpanel
Problem och lösningar
Till sidan med Problem och lösningar.
| Robotklippare Greenmate 2013 | |
| Avdelningar | Fjärrkontroll | Laddstation | Robotklipparen |













